
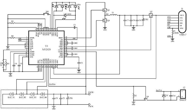
小家电/电动工具快充SOC芯片
■ 高效Boost变换器(最大开关频率 1MHz)
■ 充电电压:4.5~28V,最大充电功率140W
■ 最高充电效率:98%
■ 电芯规格:1~8串(4.2V、4.25V、4.3V、4.4V、4.45V)
■ 充电电流自适应,最大充电电流5A
■ 充电电流精度16mA、充电电压精度±50mV/串
■ 内置电池均衡,最大均衡电流100mA
■ 内置有刷电机控制电路,可直接驱动有刷电机
功能参数详情

针对客户需求,我们提供线路板功能设计、打样
优势一
10年专业、丰富的快充领域经验
优势二
快速提供客户需求的快充解决方案
代理产品线皆为国内上市公司,从源头保障产品品质
提供产品规格书、认证、
第三方测试报告
部分产品免费送样
协助客户测试
提供原厂技术人员
协助技术支持
如果因客户原因遇到困难
我们为客户提供优化解决方案
0512-6873 3067
我们的专业服务
为客户提供研发选型阶段的规格推荐、样品提供、技术支持及方案整合等专业服务
售前服务
——
售中服务
——
售后服务
——
专家咨询热线:0512-68733067详细咨询
或者留下你的联系方式,我们将尽快出具解决方案,与您取得联系。