
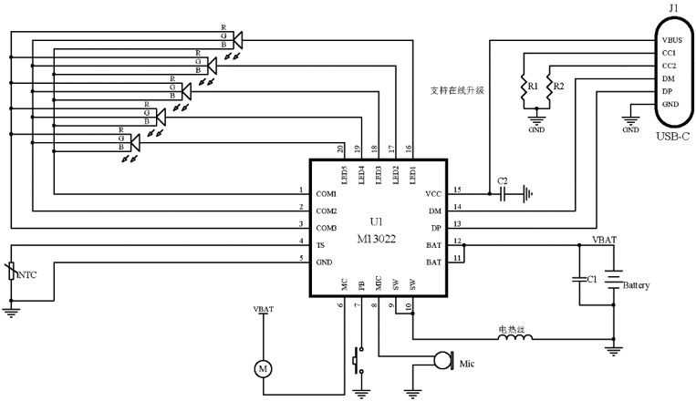
电子烟SOC系列芯片之三:M13022
■ 待机电流<5μA
■ 宽充电电压:4.5~5.5V
■ 充电电流:100mA~1.5A(可定制)
■ 支持涓流充电、恒流充电、恒压充电
■ 恒功率输出,精度±0.15W,最高15W
■ 高精度温度控制:恒温控制精度<1℃
■ 高精度发热丝电阻分辨率:<2mΩ
■ 支持按键唤醒、充电唤醒、咪头唤醒
■ 支持烟弹插入检测和烟弹插入唤醒
■ 支持RGB LED直接驱动,显示内容丰富
功能参数详情

针对客户需求,我们提供线路板功能设计、打样
优势一
10年专业、丰富的快充领域经验
优势二
快速提供客户需求的快充解决方案
代理产品线皆为国内上市公司,从源头保障产品品质
提供产品规格书、认证、
第三方测试报告
部分产品免费送样
协助客户测试
提供原厂技术人员
协助技术支持
如果因客户原因遇到困难
我们为客户提供优化解决方案
0512-6873 3067
我们的专业服务
为客户提供研发选型阶段的规格推荐、样品提供、技术支持及方案整合等专业服务
售前服务
——
售中服务
——
售后服务
——
专家咨询热线:0512-68733067详细咨询
或者留下你的联系方式,我们将尽快出具解决方案,与您取得联系。