
CHIP
电源快充芯片

M3030 ——车载充电器解决方案
本篇应用说明介绍了基于水芯电子电源管理芯片 M3030 的车载充电器解决方案。M3030 是一款高度集成的多协议车充芯片,集成了单指令周期的高性能微处理器(MCU)、16-bit 高精度模/数转换单元(SD-ADC)、Buck-Boost 控制单元、MOSFET 驱动接口,以及多种安全保护机制。M3030 支持 PD3.0/PPS、QC2.0/QC3.0、 AFC、FCP、BC1.2 DCP、APPLE 2.4A 等多种快充协议。外部搭载很少的元件,即可组成车载充电器的解决方案。
方案概述
—
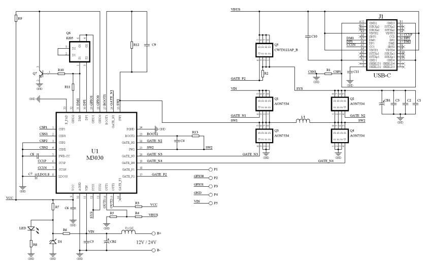
典型应用电路
基于 M3030 的车载充电器解决方案的简化应用电路图,如下图 1.1 所示。

硬件构成
车充芯片 M3030
作为车载充电器的专用 SOC,M3030 集成了充电器必要的硬件模块,其基本的技术规格如下表 1.1 所示。

BUCK-BOOST 升降压模块
M3030 集成了高效率的 BUCK-BOOST 升降压模块,开关频率可调节(推荐 200KHz),最小频率可调节至 100KHz,从而更有效地抑制 EMI。结合外置的 NMOS 管组成的 H 桥,在输入电压为 6V~36V 的范围内,可实现输出电压最大 20V、负载能力高达 5A、最大效率可达 96%(VIN = 12V,VOUT = 9V)的带载能力。
USB Type-C PHY 接口
M3030 集成了 USB Type-C 接口控制器,支持 DFP/Source 的功能。当 UFP 设备接入时,M3030 启动内部环路自动对设备放电;当检测到设备移出时,自动关闭放电通路。
车载充电器解决方案技术规格
基于 M3030 的车载充电器解决方案,集成了 PD3.0/PPS、QC2.0/QC3.0、AFC、FCP、APPLE 2.4A、 BC1.2 DCP 等多种快充协议,其基本的技术规格如下表 1.2 所示。

车载充电器应用原理图
—

芯片专家咨询热线:0512-68733067详细咨询
或者留下你的联系方式,我们将尽快出具解决方案,与您取得联系。