
CHIP
电源快充芯片

M3033 —— 电池充电管理解决方案
本篇应用说明介绍了基于水芯电子电源管理芯片 M3033 的电池充电管理解决方案。M3033 是一款多用途的电源管理SOC,集成了单指令周期的高性能微处理器(MCU)、16-bit高精度模/数转换单元(SD-ADC)、Buck-Boost控制单元、MOSFET 驱动接口,充电管理单元、LED 直接驱动接口,以及多种安全保护机制。利用 M3033 可以轻松开发出 1~6 串电池的充电管理解决方案。
方案概述
—
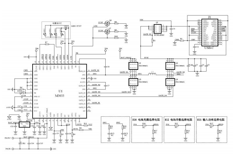
典型应用电路
基于 M3033 的电池充电管理解决方案的简化应用电路,如下图 1.1 所示。

硬件构成
电池充电管理芯片 M3033作为电池充电管理的专用 SOC,M3033 集成了电池充电管理解决方案必要的功能模块,其基本的技术规格如下表 1.1 所示。

显示模块
利用 LED 指示电池的当前电量和快充模式。M3033 定时检测电池的电压,并通过计算获得电池的电量,通过 LED 显示不同的电量等级。显示单元的基本规格,如下表 1.2 所示。

功率选择模块
本应用方案集成了功率选择功能。在应用方案中,变更连接在 GPIO3 的电阻值,即可调整允许 USB-C 口输入的充电功率(最大允许功率:100W)。
电池串数选择模块
本应用方案不仅支持输入功率选择,同时支持不同的电池串数。变更连接在 GPIO2 的电阻值,即可调整允许的电池串数(支持 1~6 串电池)。
电池充满选择模块
本应用方案支持不同规格的电池,变更连接在 GPIO1 的电阻值,可以匹配不同规格的电池,从而选择电池充满的不同门限值。不同电阻值对应的电池充满电压,如下表 1.3 所示。

安全保护模块
本应用方案集成了完备的安全保护机制,支持过压保护、欠压保护,以及过温保护。
电池充电管理解决方案技术规格
基于 M3033 的电池充电管理解决方案,集成了 PD2.0 协议、QC2.0 协议、BC1.2 协议,支持 1~6 串电池充电(可配置),并可以通过匹配不同阻值的电阻选择不同的输入功率,其基本的技术规格如下表 1.4 所示。本应用说明仅简要介绍该解决方案的技术规格,关于电池充电管理解决方案的更多信息,请来电咨询我们。

电池充电管理解决方案规格参数(标准版)
基于 M3033 的电池充电管理解决方案,USB-C 口用于充电功能,可以根据具体应用要求将本应用方案配置为不同的输入功率(通过功率选择电阻的不同阻值选择功率),具体配置选项的技术规格如下表 1.5 所示。

电池充电管理应用原理图
—





关于芯片的任何疑问,请致电0512-68733067详细咨询
如你有其它需求,也可给我们留言,我们将尽快回复