新闻动态
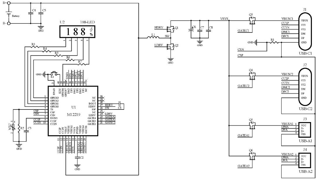
M12218和M12219是一款面向真22.5W移动电源应用的专用SOC,集成了同步开关升降压变换器、电池充放电管理模块、显示模块、电量计算模块,支持UFCS(可选)、PD3.0、QC3.0、AFC、FCP、SCP、BC1.2、DCP等主流快充协议,并提供输入/输出的过压/欠压、电池过压、过充/过放、NTC过温、放电过流、输出短路保护等完备的保护功能。 其配合极简的外围电路,即可组成支持LED灯或LED屏的22.5W多口移动电源。 M12218是LED灯显芯片,M12219是LED屏芯片,其他性能类似。本文将围绕着M12219芯片做系统介绍。 M12219的四大特点 1、具有高效充放电管理,自动匹配最优充电模式 高效双向电压变换器(开关频率:最大1MHz) 最大输入/输出功率22.5W 超高的充放电效率和温度表现 电芯规格:4.2V/4.25V/4.3V/4.4V/4.45V 电芯串数:单串 支持充电电流自适应,最大充电电流3A 放电电压精度:10mV,充电电流精度:5mA 支持耳机小电流充电模式 支持线损补偿功能 支持ABCL口的各种组合,支持双路C口 支持带多充电线的充电宝应用 2、支持多种快充协议 PD3.0/PPS、PD2.0 QC3.0、QC2.0 AFC、FCP、SCP、BC1.2DCP,APPLE2.4A UFCS(可选) 3、高度集成 内置环路补偿电路 内置16-bit高精度ADC 内置双路USB Type-C接口 集成 IIC 接口,可扩展 MCU 集成 188 屏电量显示和快充指示 4、更加安全的保护机制 20V管脚耐压,支持软启动功能 过压/欠压、过充/过放、过流、过温、短路保护 M12219的四大亮点 1、超高效率和超低温度 在最恶劣的3.1V转10V 2.25A测试条件下,效率仍然高达90%以上,比友商高7%以上;温度比友商低72度;全程带载不降功率,功率不虚标;轻松通过3C认证;是磁吸充电宝的绝佳选择。 2、支持自带三线功能 支持CBL自带线功能,每个USB口和每条线都支持快充,C线支持双向快充,解决了目前多线充电宝的C口无法双向快充等功能缺陷。 3、支持耳机小电流充电模式 4、可以根据客户需求快速定制,体积小、性能强、集成度高、性价比出色 M12219测试 效率测试 M12219放电效率曲线图 友商放电效率曲线图 MERCHIP水芯电子的M12219巅峰效率极高。从负载电流—转换效率曲线图上来看,M12219的效率最高可达94.74%,高于友商芯片峰值7%左右。 温度测试 M12219 10V/2.25A 温度示意图 友商 10V/2.25A 温度示意图 在温度方面,将两款产品同时放在3.3V电池,10V/2.25A负载和开放环境下测试,结果发现,M12219的温度仅仅只有55.3℃,远比友商的127.4℃要低得多。同时友商功率无法持续满载输出,降低了功率。 由此看来,即使在最恶劣的工作条件下,水芯电子M12219仍能长时间全程满载输出,不降功率,温度特性优异,可以轻松应对3C大考。 双向快充开发平台 目前,该芯片已获得多家知名移动电源客户青睐。 MERCHIP水芯电子为客户提供了极其方便、功能强大的快充移动电源和储能面板开发平台,可以快速完成产品定制开发设计。利用水芯电子双向快充开发平台可以快速设计出各种多口大功率产品,提高10倍以上的产品研发效率。 除了M12218和M12219这两款明星产品外,MERCHIP水芯电子还推出了从22.5W-140W的完整快充充放电平台。该系列芯片中的M12239等芯片可以支持两路独立快充,实现笔记本和手机同时快充,也可以多颗芯片并联轻松实现多口快充充放电的复杂系统设计。 充电头网总结 移动电源已经成为生活必备品,而过去低价低质的充电宝时代因为CCC认证标准的到来即将宣告结束,水芯电子的M12218和M12219,具有高集成度、高效充放电管理模式、支持多种快充协议等多种优势,配合更加安全的保护机制,该芯片可以帮助移动电源行业客户轻松应对移动电源3C大考。 关于MERCHIP水芯电子 MERCHIP水芯电子凭借可重构数字电源芯片技术努力为快充行业客户提供最新最快捷的快充芯片和方案个性化定制服务,最好的满足全球消费者的个性化需求。 作为国内唯一、业界领先的可重构数字电源芯片公司,MERCHIP水芯将联合全球各个领域的头部客户,在消费电子、物联网、家电、医疗、工业、电力、通信、服务器、光伏、储能、汽车等诸多领域实现底层技术创新,逐步建成全球的先进技术创新中心。公司汇聚了多名来自ADI、Renesas、OnSemi等全球著名芯片公司的技术专家和管理、销售人才。水芯的目标就是彻底解决TI等美国芯片巨头的技术垄断。同时逐步实现模拟电源芯片的全面数字化。









